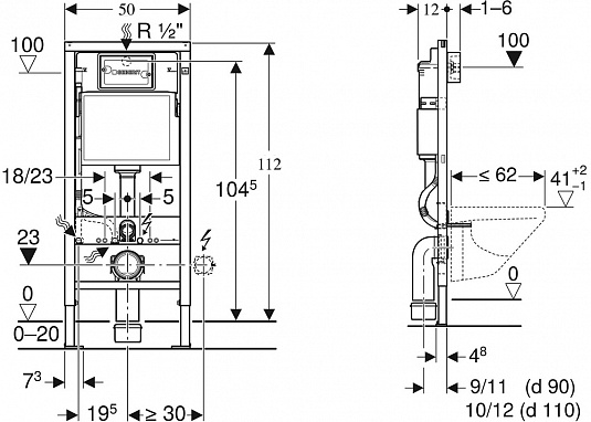
458.124.21.5 GEBERIT Delta25 (111.170.00.1 Инсталяция с бачком Delta 12 см, крепёж + 115.125.21.5 Кл
458.124.21.5 GEBERIT Delta25 (111.170.00.1 Инсталяция с бачком Delta 12 см, крепёж + 115.125.21.5 Кл
29 980 c
Поделиться:
Единица измерения: пара
458.124.21.5 SET GEBERIT Delta25 (111.170.00.1 Инсталяция с бачком Delta 12 см, крепёж + 115.125.21.5 Клавиша Delta25 Хром)
Вам может понравиться








